本文将会在蒸汽锅炉用大功率电加热法兰组的特性、用途、型号上面做详细的说明与介绍,镇江市沪扬电器成套有限公司作为是专业的蒸汽锅炉用大功率电加热法兰组生产厂家,为您选购适合自己的产品做一定的指导是必要的。
要问蒸汽锅炉用大功率电加热法兰组哪里好,当选镇江市沪扬电器成套有限公司。
详细信息

公司先后与国内多家大中型锅炉厂、医疗器械厂消毒用的电加热器蒸汽锅炉长期配套各种单支、法兰组、大功率集束式电加热器,尤其是与全国最大的医疗器械厂 — 山东新华医疗器械股份有限公司,全国消毒灭菌研究中心长期配套消毒用蒸汽锅炉大功率电加热器, 2003 年非典期间,北京建造的小汤山医院用的大型的消毒柜就是由国家指定新华公司提供的。我公司的电加热 — 消毒柜的心脏设备发挥重要作用,受到了中央政府的高度赞扬。
单个法兰组有 15KW 、20KW 、 30KW 、 40KW 、 50KW 、60KW 、 90KW ~ 240KW 。
蒸汽锅炉用大功率电加热法兰组特点:
1 、表面功率大,是空气加热表面负荷的 3 ~ 7 倍。
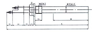
高度密集式、结构紧凑。如一个 60KW 加热炉芯所占空间≤ 140 ,插入深度≤ 400 ; 240KW 所占空间≤ 220 ,插入深度≤ 800 。由于整体短而密集,故稳定性好,安装无需支架。
3 、组合式大多利用紧固装置的形式,即每支电热管上焊有紧固件套管,然后与法兰盖连接采用螺母锁紧,管子与紧固件采用氩弧焊接,焊接处永不泄漏。紧固件密封处采取科学的工艺,能在 1.0MPa 的 200 ℃ 蒸汽锅炉中长期工作不泄漏。单支更换极为方便,大大节约以后的维修成本。
4 、选择进口及国内优质材料。科学的生产工艺,严格的质量管理,保证了电热管优越的电气性能。如加热时不易产生水垢,使用寿命长。深受广大用户的信赖。
本文我们就蒸汽锅炉用大功率电加热法兰组做了详细介绍和说明, 我们会在其他页面就继续就防爆电加热器、防爆加热器、螺栓加热棒、导热油电加热炉、单端大功率电加热棒(配置大功率电炉)防爆导热油电加热器防爆电加热导热油炉(有机热载体炉)防爆导热油电加热器防爆电加热器导热油炉电加热器防爆电加热导热油炉(有机热载体炉)防爆甲醇电加热器防爆二甲醚电加热器做详细介绍,如需了解更多我们的信息,请持续关注。
本文由蒸汽锅炉用大功率电加热法兰组生产厂家镇江市沪扬电器成套有限公司于2021-09-30 10:24:32整理发布。
转载请注明出处:http://www.huyangdq.cn/zhengqiguol/2131.html。
上一篇: 电加热炉
下一篇:蒸汽锅炉电加热器
相关新闻
相关产品
|